- GNF38-12/630A型 户内环网柜隔离开关
概 述
GNF38-12KV 型系列户内环网柜隔离开关,是为了适应固定式高压柜,环网柜向紧凑型,小型化发展的需要而设计制造的。它具有三工位结构,全绝缘底板;并配有同轴锁定和完善的机械连锁机构,外形紧凑小巧。是紧凑型箱式开关柜最佳选配开关。
正常使用条件
a. 周围空气温度:上限+40℃ 下限-25℃
b. 海拔不超2000m
c. 相对湿度:日平均值不大于95%,月平均值不大于90%
d. 周围空气应不受腐蚀性或可燃性气体,水蒸气等明显污染
e. 无经常性的剧烈震动
开关型号及含义
主要技术
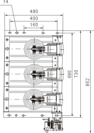
外形及安装尺寸

安装方式


下一个:HY5WS8-避雷器







