概述 避雷器用放电计数器是用来监测避雷器放电动作的一种高压电器,其构造是由非线必电阻、电磁计数器和一些电子元器件组成。在正常运行电压下,流过计数器的漏电流非常中,计数器不动作。当避雷器通过雷电波、操作波和工频过电压时,强大的工作电流从计数的小,非线性电阻通过,经进直流变换,对电磁计数器线圈放电而使计数器吸动一次,来实现测量避雷器动作次数的装置。
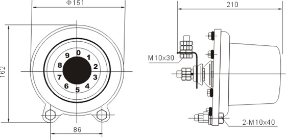
在结构上采用电阻片取压,电磁计数器显示,透明玻璃罩、密封橡皮垫、底版及法兰等进行卡装密封,高压出线端从底版中心引出。使用条件 计数器作用的地点和环境与避雷器相同
1 海拔高度≤3000m;
2 环境温度为-40℃到+40℃;
3 ****风速不超过35m/s;
4 地震烈度7度及以下地区;
5 不适用有严重腐蚀金属及绝缘件气体、有严重污秽和有剧烈震动的地区,如有特殊要求可提出。共同商量而定;
JS-8 型放民计数器适用于 5kA 系统 35KV 及以下电压等级的避雷器。
JSY-10/600 型氧化锌避雷器专用放电计数器适用于 5~10kA 系统 110KV 及以下等级的氧化锌避雷器,并可适用于避雷器的在线检测。技术参数 
安装 参照外型图进行安装。安装时,先将计数器用螺栓安装在避雷器底座附近,连接好接地母线,然后将高压出线端用螺栓和母线连接在避雷器绝缘底座上。 用户须知 1. 安装时用户不得随意松动、拆卸高压端子后带红色油漆的螺母及底版上的6只螺栓,以免破坏产品的密封。
2. 计数器指针不在零位或检测计数器时,可采取如下简易方法:用摇表及及 600V10μsF 电容器一只,并联连接。先转动摇表对电容器充电,断开充电回路,再迅速将充好电的电容器对计数器放电。







